











Nuestro laboratorio desarrolla nuevos fundamentos teóricos, metodologías y herramientas de software para el modelado, simulación y análisis de sistemas complejos.
Nuestro objetivo es hacer avanzar el estado del arte en la construcción asistida y sistematizada de modelos de simulación por medio de la composición incremental de subcomponentes heterogéneos (multi-dominio, multi-escala, multi-paradigma) de un sistema.
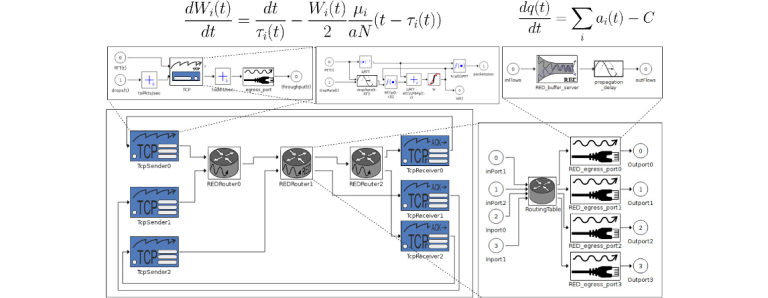
Para estas tareas nos basamos en formalismos derivados de la teoría general de sistemas, con el fin de poder integrar sistemas dinámicos continuos, de tiempo discreto y de eventos discretos bajo descripciones unificadoras.
Nuestro enfoque facilita y promueve el estudio interdisciplinario de sistemas complejos, por ejemplo aquellos que integran fenómenos naturales, sociales y cibernéticos. Nuestras publicaciones pueden accederse aquí.
 
															Utilizamos diversas técnicas para modelar sistemas en áreas diversas como física de altas energías, redes de comunicaciones, vehículos no tripulados, sistemas socioeconómicos y socioambientales, entre otras.
Desarrollamos nuevos sustentos teóricos como por ejemplo teoría de la representación de fenómenos emergentes, representación de ecuaciones diferenciales en entornos 3D reticulados y representación de sistemas de gran escala mediante flujos de energía, entre otros.
Las principales técnicas son máquinas de estados finitos, modelado basado en agentes, ecuaciones diferenciales, ecuaciones en diferencia, autómatas celulares (entre otras) todas ellas representadas dentro del marco del formalismo DEVS (Discrete EVent Systems specification).
Desarrollamos nuevos algoritmos para darle comportamiento a los modelos mejorando las características de las simulaciones como ser su eficiencia, paralelismo, ejecución distribuída, análisis de sensibilidad ante dispersión de parámetros y co-simulación entre diferentes sistemas, entre otras.
Un aspecto presente en todos los sistemas que estudiamos es el diseño de estrategias de control, para hacer converger el comportamiento de los sistemas bajo estudio a objetivos de comportamiento deseables al menor costo posible.
 
															 
															 
															 
															